A annotated blueprint for the basement floor plan of home economics buildings with measurements for lab wall renovations. Drawing also includes door schedule, finishes schedule, and window schedule.
2nd Architectual drawing blueprint of the third floor layout and roof layout for the additions and renovations for the purposed Library Building at Tuskegee Institute. Blueprint also depicts typical plan stacks for second, third, fourth, fifth, and sixth floors.
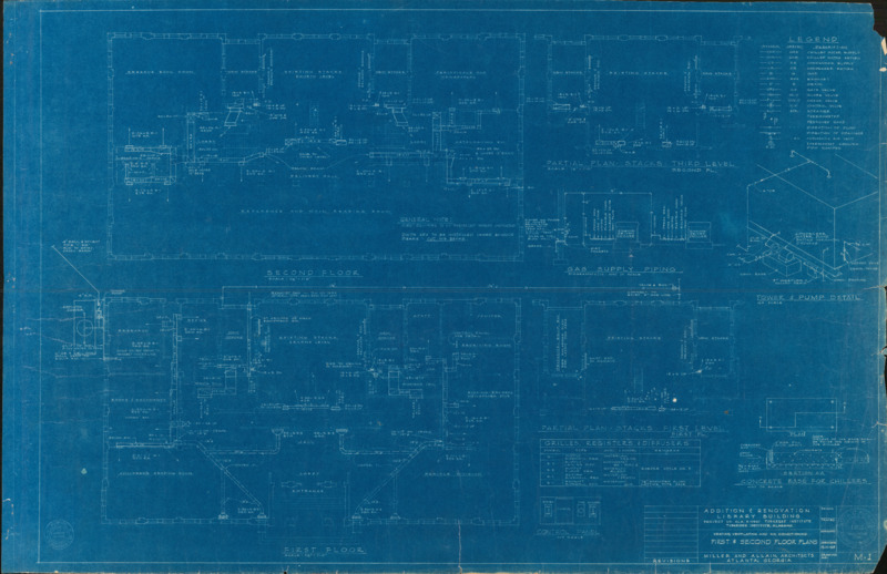
Architectual blueprint drawing of the renovations for the purposed Library Building at Tuskegee Institute located in Tuskegee, Alabama. Blueprint drawings depict 1st and 2nd Floor Plans and partial plans for second and fourth floor levels.
A letter from Dr. Martin Luther King Jr. to Chaplain Wynn thanking him accepting to speak at the Annual Youth Day on March 15, 1959. Unfortunately, Dr. King will not be present to listen to Chaplain Wynn’s sermon due to prior engagements out of the country.
A biography of congressional candidate Andrew Young. This document explains his education and experience and why he is qualified to run for political office.
A construction blueprint cover sheet for the home economics building drawings at Tuskegee Institute located in Tuskegee, Alabama. Cover sheet depicts types of drawings within construction set.
Five pages on Monroe N. Work's life, including his time at Georgia State College with his achievements and honors. At the time of writing, Jessie Guzman was the director of the Department of Research and Records at Tuskegee. Delivered at Institute Chapel.
A mechancial HVAC drawing blueprint of the additions and renovations for the Library Building regarding the 3rd Floor and Roof Plans at Tuskegee Institute located in Tuskegee, Alabama.
A thank you letter from Chaplain Wynn to Rev. Ralph Abernathy expressing gratitude for the invitation to be guest speaker for First Baptist Church celebration.
A letter from Charles G. Gomillion to President Frederick D. Patterson acknowledging his receipt of the 09/11/1940 letter and accepting increase in pay to continue working at Tuskegee.
12-page document reprinted from Missionary Review of the World. Contains an informational table on the economic, educational, and religious progress of African Americans from 1866 and 1922. Also includes photos and an informational map depicting Black population and education.
A program created by the Tuskegee Civic Association governing board to show the rest of the organization and community of the accomplishments of Mrs. M.E. Tilly.
Dr. Bernard C. Watson discussed the historical significance of Tuskegee Institute and its commitment to excellence, while emphasizing the importance of accountability and responsibility for the institution's future.
Ambassador John J. Akar from Sierra Leone on "what is the relevance of Black institutions in a land which we like it or not can not chose to led the inevitability of its multiracism?"
Graham Allen, Ronald Reagan, Martin Luther King Jr., and Carl Rowan discussed the role of institutions like Tuskegee University in shaping leaders, the importance of addressing justice and equality, education, and understanding to overcome systemic racism and social divisions.
The President’s Essay Contest, sponsored by the Trinity Church of Boston Massachusetts, award prizes to the students who wrote and delivered the best papers on the given subjects assigned for the competition.